Zum Hauptinhalt springen
  • Camera Viele Profile ab 1 Meter
  • 30 Tage Rückgaberecht
  • Speedy Delivery Schneller & kostenloser Versand ab 99€
Zur Startseite gehen

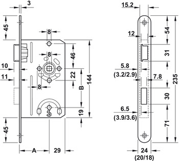
Einsteckschloss für Drehtüren Buntbart | Dornmaß: 55 mm | Ausführung: DIN Links

Produktnummer: HA91132010
Sofort verfügbar
Lieferzeit 2-4 Tage
Abholung
Bitte wählen Sie eine Filiale aus. Filiale auswählen
Auswahl aufheben
{{ Math.round(store.extensions.neti_store_pickup_distance.distance * 100) / 100 }} {{ store.extensions.neti_store_pickup_distance.unit }}
{{ store.label }}
{{ store.street }} {{ store.streetNumber }}
{{ store.zipCode }} {{ store.city }}

Anschlag
Oberfläche
Stulpbreite
Werkstoff

8,27

8,27 EUR / Stück

inkl. MwSt. ggf. zzgl. Verpackung und Versand

Stück

Kunden kauften auch

Einsteckschloss für Drehtüren Buntbart | Dornmaß: 55 mm | Ausführung: DIN Rechts

Das Einsteckschloss HA91132011 verfügt über einen praktischen Schlossmechanismus, der speziell für Zimmer- und Innentüren entwickelt wurde. Sie sind besonders dann beliebt, wenn historischer Charme oder ästhetische Konsistenz gewünscht werden. Details zum Artikel Farbe: Silberfarben, lackiertHersteller: Häfele StartecStulpbreite: 20 mm Dornmaß: 55 mm Entfernung: 72 mmDrückernuss: 8 mm Material: Stahl, Zinkdruckguss, Polyamid Spezifikationen des Artikels Verwendung: Buntbartschloss, Drehtüren, Wohnbereich Ausführung: DIN Rechts
8,27 €*
8,27 € / Stück

Türdrücker-Garnitur mit Buntbart | Hoppe Birmingham 1117/202SP | Farbe: silber

Die Türdrücker-Garnitur HA90581141 aus Aluminium besteht aus einer hochwertigen Langschildgarnitur mit Buntbart-Schlüsselloch. Sie eignet sich für Innentüren und besitzt eine Profilstift-Verbindung. Zudem liegt die Klinke angenehm in der Hand und macht auch optisch einiges her. Die Entfernung zwischen Türdrücker und Schlüsselloch entspricht der Norm und passt damit auf alle deutschen Zimmertüren. Wichtig: Bei Haustüren beträgt diese Entfernung der Norm entsprechend 92 mm. Das heißt, dass Sie keinen Haustürbeschlag an einer Zimmertür montieren können und umgekehrt. Diese Normen beziehen sich ausschließlich auf Türen und Türdrücker aus Deutschland!Details zum Türdrücker Farbe: Silberfarben eloxiertHersteller: Hoppe Ausführung: mit Profilstift-VerbindungLochung: BB Modell: Birmingham 1117/202SP Material: Aluminium Maßangaben Garnitur Länge: 215 mm Garnitur Breite: 40 mm Drücker Länge: 123 mm Drücker Tiefe: 56 mmEntfernung B: 72 mm Türstärke: 27 – 47 mm Lieferumfang 1 Paar Türdrücker mit Drückerstift 8 mm 1 Paar BB-Langschilder 8 Spanplattenschrauben 3,5 x 20 mm
12,90 €*
12,90 € / Stück

Einsteckschloss für Drehtüren Bad/WC | Dornmaß: 55 mm | Ausführung: DIN Links

Das Einsteckschloss HA91132040 verfügt über einen praktischen Schlossmechanismus, der speziell für Badezimmer- und WC-Türen entwickelt wurde. Wird es korrekt eingebaut, bietet Ihnen dieses Einsteckschloss Sicherheit und Privatsphäre. Details zum Artikel Farbe: Silberfarben, lackiertHersteller: Häfele StartecStulpbreite: 20 mm Dornmaß: 55 mm Material: Stahl, Zinkdruckguss, Polyamid Spezifikationen des Artikels Verwendung: Bad/WC, Drehtüren, Wohnbereich Ausführung: DIN Links Klasse 2: Das Schloss kann stärker beansprucht werden und hält einer häufigen Nutzung problemlos stand.
10,12 €*
10,12 € / Stück

Klebedichtung für Türen und Fenster | 7 mm Breite | Farbe: weiß

Die Klebedichtung SP5197 in der Farbe Weiß ist eine selbstklebende V-Dichtung. Sie kommt bei den Fenstern und Türen ins Spiel, bei denen keine Dichtungsnut vorhanden ist. Mit dieser Dichtung können Sie sämtliche Fenster und Türen abdichten und somit verhindern, dass kalte Außenluft eindringt. Zudem verhindert sie das entweichen von Wärme. Die Preise sind Meterpreise und diese Dichtung wird als Doppelstrang geliefert. Details zur DichtungFarbe: Weiß Höhe: 8 mm Breite: 7 mm Hohlkammer: keine Material: Silikon Besonderheiten der DichtungSehr gute Witterungs- und Ozonbeständigkeit REACH KonformVerträglich mit wasserverdünnbaren Acrylat-Lacken und umweltfreundlichen Lacken Beinhaltet keine gefährlichen Chemikalien Langlebig, leistungsfähig und wartungsfrei Zur Information für Sie: Wir schneiden bei jedem Kauf kostenlos 3-5 cm pro 5 Meter Länge zu, um sicherzustellen, dass Sie genug Dichtungsmaterial haben. Unsere Klebedichtungen lassen sich einfach und ohne Vorkenntnisse anbringen: 1. Schritt: Reinigen Sie die Fläche an Türen und Fenstern sorgfältig, bevor Sie die Dichtung aufkleben. Wischen Sie dazu mit einem handelsüblichen Schwammtuch über die Fläche, um Holzspäne, Fett und andere Rückstände zu entfernen.2. Schritt: Legen Sie das Dichtungsgummi an die gewünschte Stelle an und kürzen Sie diese anschließend auf das gewünschte Maß ab. 3. Schritt: Nun können Sie die Schutzfolie, die über dem Klebestreifen angebracht ist, vorsichtig entfernen und die Dichtung, ohne sie zu überdehnen (z. B. durch Auseinanderziehen der Dichtung) ankleben.4. Schritt: Damit die Dichtung ein optimales Ergebnis erzielen kann, braucht es saubere Gehrungsschnitte in den Ecken. Diese erhalten Sie am einfachsten mit Hilfe einer Gehrungsschere. Verarbeitungshinweis: Die beiden Klebestreifen auf der Dichtung sollten beim Entfernen der Schutzfolie unversehrt bleiben und nicht abgezogen werden.
6,56 €*
3,28 € / Meter

Einsteckschloss für Drehtüren Bad/WC | Dornmaß: 55 mm | Ausführung: DIN Rechts

Das Einsteckschloss HA91132051 verfügt über einen praktischen Schlossmechanismus, der speziell für Badezimmer- und WC-Türen entwickelt wurde. Wird es korrekt eingebaut, bietet Ihnen dieses Einsteckschloss mit Geräuschdämmung, Sicherheit und Privatsphäre. Details zum Artikel Farbe: Silberfarben, lackiertHersteller: Häfele StartecStulpbreite: 20 mm Dornmaß: 55 mm Entfernung: 78 mmDrückernuss: 8 mm Material: Stahl, Zinkdruckguss, Polyamid Spezifikationen des Artikels Verwendung: Bad/WC, Drehtüren, Wohnbereich Ausführung: DIN Rechts, mit Flüster-Comfort
18,00 €*
18,00 € / Stück

Türdrücker-Garnitur mit Buntbart | Modell: L-Form | Farbe: silber

Die Türdrücker-Garnitur HA90291078 aus Edelstahl besteht aus einer hochwertigen zweiteiligen Rosette mit Buntbart-Schlüsselloch. Mit ihrer tollen Form, liegt die Klinke angenehm in der Hand und macht auch optisch einiges her. Weshalb sich diese Garnitur besonders für Zimmertüren eignet. Details zum Türdrücker Farbe: Silber matt Modell: L-Form Material: Edelstahl Maßangaben Rosette Durchmesser: 52 mm Drücker Länge: 134 mm Drücker Tiefe: 60 mmTürstärke: 38 – 42 mm Lieferumfang 2 Türdrücker-Lochteile 1 Drückerstift 8 mm 1 Paar BB-Rosetten 1 Paar Drückerrosetten 2 Schrauben Ø 4 x 50 mm, 6 Schrauben Ø 3 x 20 mm
20,54 €*
20,54 € / Stück

Türdrücker-Garnitur für WC/Badezimmer | Modell: L-Form | Farbe: Silber matt

Die Türdrücker-Garnitur HA90293078 aus Edelstahl besteht aus einer hochwertigen zweiteiligen Rosette mit Drehknauf und Schauscheibe. Sie eignet sich für Bäder und Toiletten und besitzt eine Schnellstift-Verbindung. Die Klinke liegt angenehm in der Hand und macht besonders von der Optik einiges her. Diese Garnitur eignet sich, aufgrund ihrer Verschlusstechnik, besonders für Badezimmer, Gästetoiletten und öffentliche Toiletten. Details zum Türdrücker Farbe: Silber matt Modell: L-Form Material: Edelstahl Maßangaben Rosette Durchmesser: 52 mm Drücker Länge: 134 mm Drücker Tiefe: 60 mmTürstärke: 37 – 42 mm Lieferumfang 2 Türdrücker-Lochteile1 Drückerstift 8 mm1 Paar Drückerrosetten 1 Paar WC-Rosetten mit Schauscheibe rot/weiß und Verriegelungsstift 8 mm4 Schrauben Ø 4 x 50 mm
30,74 €*
30,74 € / Stück

Türdrücker-Garnitur für WC/Badezimmer | Hoppe Cardiff E1850Z/17KV/17KVS | Farbe: silber

Die Türdrücker-Garnitur HA90293324 aus Edelstahl besteht aus einer hochwertigen zweiteiligen Rosette mit Drehknauf. Sie eignet sich für Bäder und Toiletten und besitzt eine Profilstift-Verbindung. Die Klinke liegt angenehm in der Hand und macht besonders von der Optik einiges her. Diese Garnitur eignet sich, aufgrund ihrer Verschlusstechnik, besonders für Badezimmer, Gästetoiletten und öffentliche Toiletten. Details zum Türdrücker Farbe: Silber matt Modell: Cardiff E1850Z/17KV/17KVS Hersteller: Hoppe Ausführung: mit Profilstift-VerbindungMaterial: Edelstahl Maßangaben Rosette Durchmesser: 52 mm Drücker Länge: 124 mm Drücker Tiefe: 62 mmTürstärke: 37 – 42 mm Lieferumfang 2 Türdrücker-Lochteile 1 Paar Drückerrosetten 1 Drückerstift 8 mm 1 Paar WC-Rosetten ohne Schauscheibe, mit Verriegelungsstift 8 x 75 mm4 selbstschneidende Schrauben 4 x 45 mm
28,41 €*
28,41 € / Stück

Beschreibung

Das Einsteckschloss HA91132010 verfügt über einen praktischen Schlossmechanismus, der speziell für Zimmer- und Innentüren entwickelt wurde. Sie sind besonders dann beliebt, wenn historischer Charme oder ästhetische Konsistenz gewünscht werden.

Details zum Artikel

  • Farbe: Silberfarben, lackiert
  • Hersteller: Häfele Startec
  • Stulpbreite: 20 mm
  • Dornmaß: 55 mm
  • Entfernung: 72 mm
  • Drückernuss: 8 mm
  • Material: Stahl, Zinkdruckguss, Polyamid

Spezifikationen des Artikels

  • Verwendung: Buntbartschloss, Drehtüren, Wohnbereich
  • Ausführung: DIN Links

Produktdetails

Hersteller: Häfele GmbH & Co. KG

Herstellerinformationen

Angaben zum Hersteller (Informationspflichten zur GPSR Produktsicherheitsverordnung)
Häfele GmbH & Co. KG
Adolf-Häfele-Straße 1
72202 Nagold, Deutschland
07452-950
info@haefele.de